Дом 2 входа 2 секции 2 консьержжа

Модератор: Raikmann

Дом 2 входа 2 секции 2 консьержжа

Сообщение СергейГ » 09 мар 2017, 13:15

Добрый день!

Дом жилой.
2 секции по 240 квартир в каждой. 17 этажей в каждой секции.
В каждой секции по 2 входа. Один черный вход
Если это важно, то от стояка до последней квартиры - 35 метров.
Прошу дать состав и схему комплекта активного оборудования.
СергейГ
 
Сообщений: 2
Зарегистрирован: 09 мар 2017, 12:56
Благодарил (а): 0 раз.
Поблагодарили: 0 раз.

Re: Дом 2 входа 2 секции 2 консьержжа

Сообщение TheGoldMaster » 09 мар 2017, 13:18

Добрый день .

Уточните несколько вопросов :
1. Какое кол-во ВЫЗЫВНЫХ ПАНЕЛЕЙ в каждую секцию должно быть ?
2. Это общее здание с 4 мя входами или секции разделены ?
3. С 2 рой допустим секции необходимо звонить в первую секцию и наоборот ?
4. Кол во квартир на этаже 14- 15 ?
5. Какую Панель домофона вы хотите использовать из трех существующих http://shop.raikmann.ru/index.php?route ... ry&path=77
6. На данный момент установлено какое-либо оборудование на доме ?
Аватар пользователя
TheGoldMaster
 
Сообщений: 249
Зарегистрирован: 22 июн 2016, 10:32
Благодарил (а): 0 раз.
Поблагодарили: 0 раз.

Re: Дом 2 входа 2 секции 2 консьержжа

Сообщение СергейГ » 09 мар 2017, 15:34

1. Какое кол-во ВЫЗЫВНЫХ ПАНЕЛЕЙ в каждую секцию должно быть - 1
2. Это общее здание с 4 мя входами или секции разделены - входы разделены.
3. С 2 рой допустим секции необходимо звонить в первую секцию и наоборот - нет, не надо.
4. Кол во квартир на этаже 14- 15 ? - по 15 квартир на секцию на этаж
5. Какую Панель домофона вы хотите использовать из трех существующих http://shop.raikmann.ru/index.php?route ... ry&path=77 - стандарт. А какова разница в цене?
6. На данный момент установлено какое-либо оборудование на доме ? - НЕТ.
СергейГ
 
Сообщений: 2
Зарегистрирован: 09 мар 2017, 12:56
Благодарил (а): 0 раз.
Поблагодарили: 0 раз.

Re: Дом 2 входа 2 секции 2 консьержжа

Сообщение TheGoldMaster » 09 мар 2017, 16:00

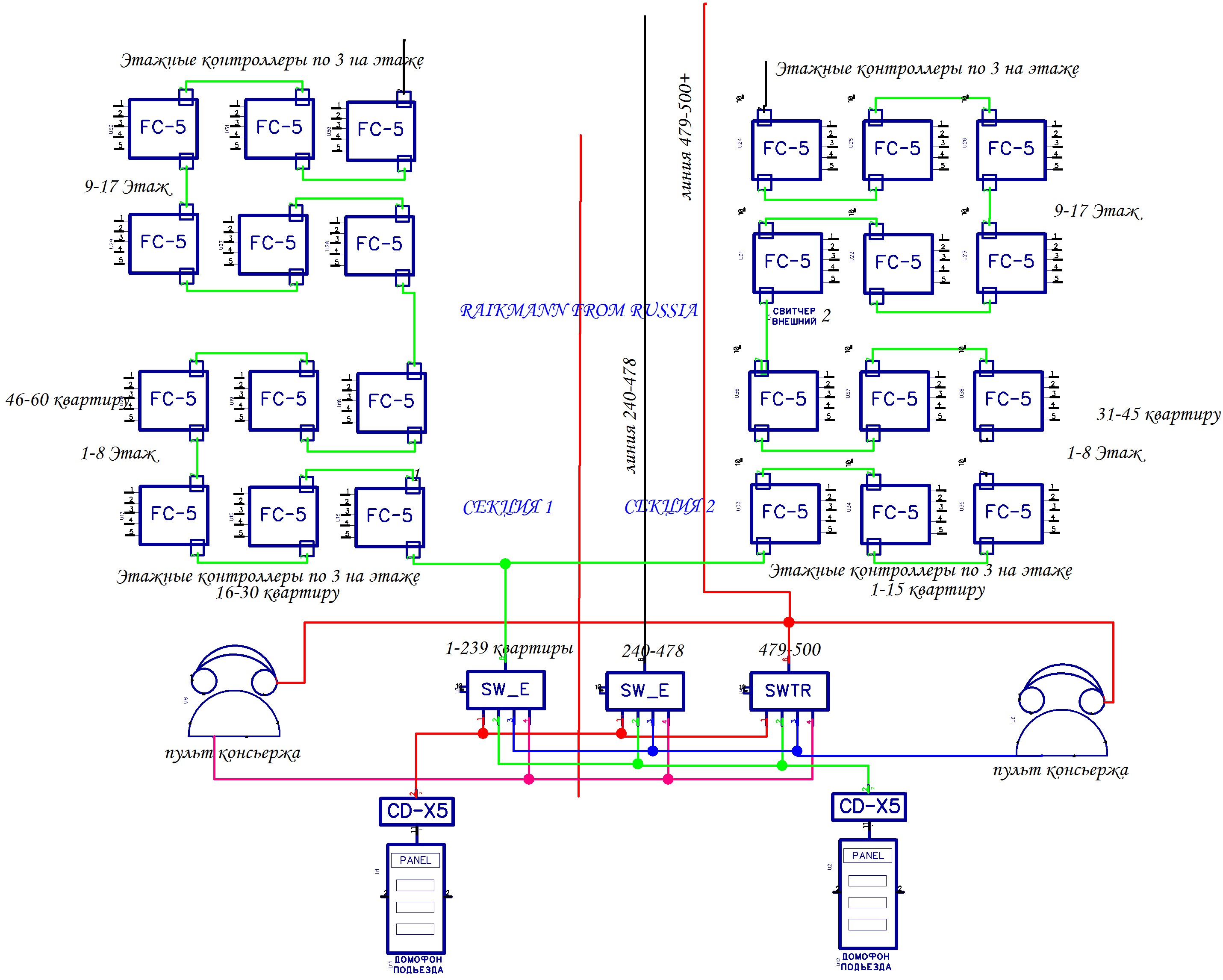
2_P_2K.jpg
2_P_2K.jpg (732.89 KiB) Просмотров: 6070
Аватар пользователя
TheGoldMaster
 
Сообщений: 249
Зарегистрирован: 22 июн 2016, 10:32
Благодарил (а): 0 раз.
Поблагодарили: 0 раз.

Re: Дом 2 входа 2 секции 2 консьержжа

Сообщение TheGoldMaster » 09 мар 2017, 16:02

Для реализации домофонной системы Вам понадобится :

1. Панель СИТИ Люкс с видео камерой и считывателем Mifare – 2 шт.
2. Процессор домофона CD-X5- 2шт.
3. Свитчер Х5 – 3 шт.
4. Этажный контроллер – 102 шт.
5. Кнопка выхода Нео – 2 шт.
6. Замок Электромагнитный – 2 шт.
7. Блок Питания на комплекты Сити Люкс + процессор – 5 А ( 2 шт), для этажных Контроллеров каждая секция по БП 3 А - 2 шт.
8. Пульт консьержа много-панельный -2 шт.
9. Блок питания 1.5 А для пультов консьержа – 2 шт.
Аватар пользователя
TheGoldMaster
 
Сообщений: 249
Зарегистрирован: 22 июн 2016, 10:32
Благодарил (а): 0 раз.
Поблагодарили: 0 раз.


Вернуться в Решения по проектам и Тех. Заданиям

Кто сейчас на форуме

Сейчас этот форум просматривают: нет зарегистрированных пользователей и гости: 18

cron