Добрый день!
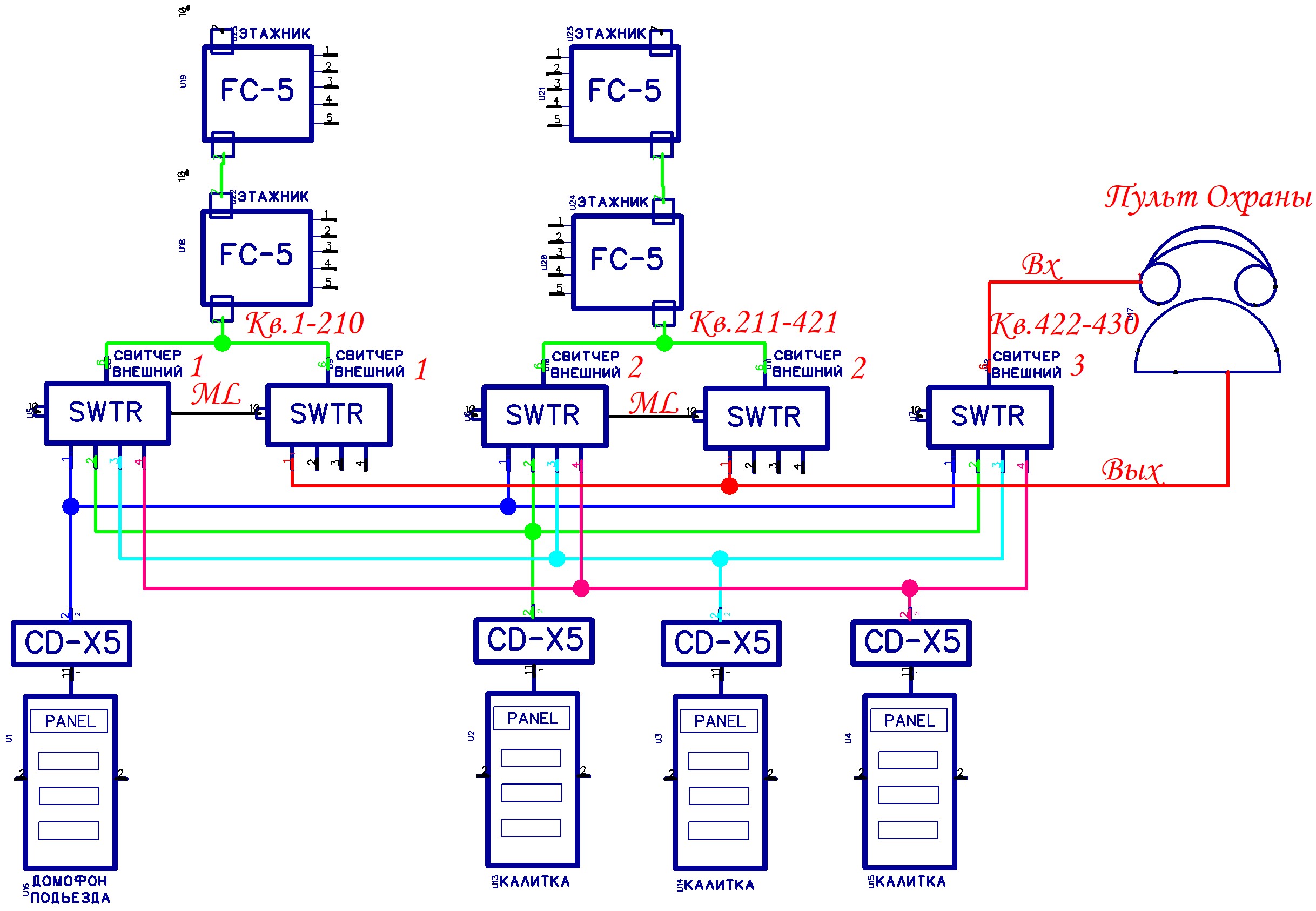
Тех. задание- надо подобрать оборудование на многоквартирый дом 12 эт, 2 стояка. 210 кв. Территория огорожена, имеет 2 въезда и 3 калитки. Будет консьержка.
Требуется обеспечить проход через 2 калитки через консьержку и по ключам, а через 3-ю калитку и парадную через консьержку и жильцов дома.
Панели с видеокамерами
