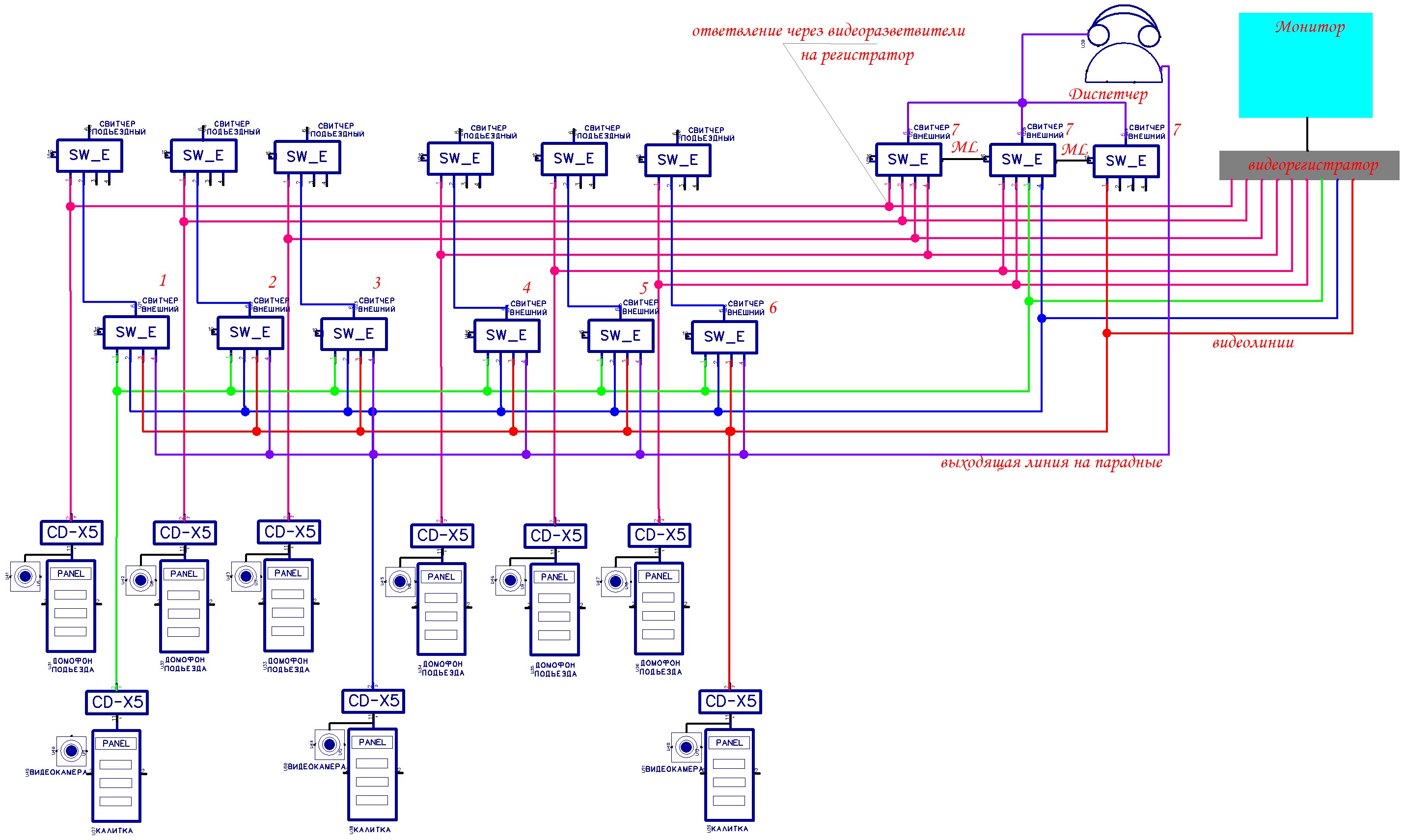
Задача :
Оборудовать парадные вызывными панелями Raikmann , оборудовать калитки вызывными панелями Raikmann .
Вызовы с калиток должны поступать во все квартиры дома , а так же на диспетчера .
Вызовы с парадных должны поступать в квартиры своего подъезда и на диспетчера
Диспетчер должен осуществлять звонки в любую квартиру дома .
У Диспетчера должно быть установлено видео оборудование ( регистратор , монитор )
