Дом 4 подъезда по 2 входа консьерж

Модератор: Raikmann

Дом 4 подъезда по 2 входа консьерж

Сообщение TheGoldMaster » 17 сен 2019, 10:56

Задача :
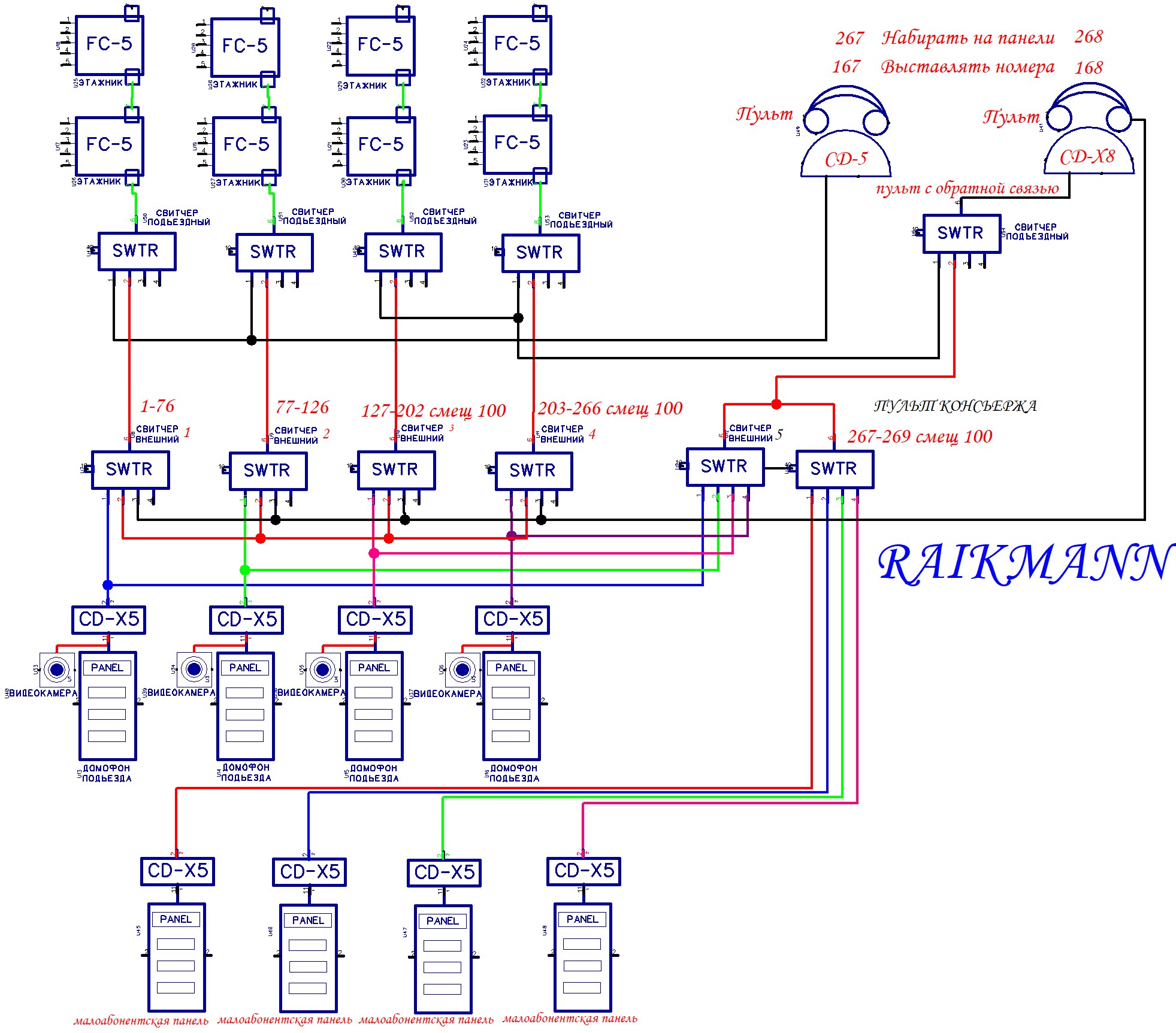
Дом имеет 4 входные группы , в каждой группе по 2 входа , основной и черная лестница . Имеется консьерж ( охрана ) на все 4 входные группы .
Необходимо :
1. Вызывные панели основных входов звонили только в свой подъезд и охране .
2. Вызывные панели ( малоабонентские ) прямой кнопкой вызова вызывали только охрану .
3. Охрана должна звонить во все подъезды дома .
4. Необходима обратная связь с квартир на охрану .
Аватар пользователя
TheGoldMaster
 
Сообщений: 249
Зарегистрирован: 22 июн 2016, 10:32
Благодарил (а): 0 раз.
Поблагодарили: 0 раз.

Re: Дом 4 подъезда по 2 входа консьерж

Сообщение TheGoldMaster » 17 сен 2019, 10:57

Схема подключения объекта .
Вложения
шуваловский.jpg
шуваловский.jpg (504.76 KiB) Просмотров: 47789
Аватар пользователя
TheGoldMaster
 
Сообщений: 249
Зарегистрирован: 22 июн 2016, 10:32
Благодарил (а): 0 раз.
Поблагодарили: 0 раз.


Вернуться в Решения по проектам и Тех. Заданиям

Кто сейчас на форуме

Сейчас этот форум просматривают: нет зарегистрированных пользователей и гости: 9

cron