Блок вызова на 1000 абонентов

Модератор: Raikmann

Блок вызова на 1000 абонентов

Сообщение Анатолий » 20 янв 2017, 14:58

Нужен блок вызова до 1000 абонентов с кнопочной панелью и возможностью установки видеокамеры с пинхол. объективом
Анатолий
 
Сообщений: 3
Зарегистрирован: 20 янв 2017, 14:55
Благодарил (а): 0 раз.
Поблагодарили: 0 раз.

Re: Блок вызова на 1000 абонентов

Сообщение TheGoldMaster » 20 янв 2017, 15:04

Добрый день .

Опишите более подробно задачу , 1000 абонентов в одном подъезде ? какое кол во квартир на этаже ?
Аватар пользователя
TheGoldMaster
 
Сообщений: 249
Зарегистрирован: 22 июн 2016, 10:32
Благодарил (а): 0 раз.
Поблагодарили: 0 раз.

Re: Блок вызова на 1000 абонентов

Сообщение Анатолий » 20 янв 2017, 15:26

У нас 9-ти этажный дом .Вход один. Нумерация 111, 112, 113,114, 121,122, 123,124, 131,132,133,134, 141,142,143,144, 151,152,153,154 -это первый этаж. На втором этаже 211,212,213,214............261,262,263,264. так далее включая 9 этаж.
Здание состоит из двух блоков ( 2 стояка ) Вызывная панель Сити- стандарт (кнопочная) без консъержа, с защищенными брелками.
Прошу Вас предложить вариант с цифровыми и с матричнокоординатными трубками .Укажите цену одной цифровой трубки. И в цифровом варианте рекомендованное сечение кабеля . Готов ответить на все вопросы.
город Нефтеюганск
Анатолий
 
Сообщений: 3
Зарегистрирован: 20 янв 2017, 14:55
Благодарил (а): 0 раз.
Поблагодарили: 0 раз.

Re: Блок вызова на 1000 абонентов

Сообщение TheGoldMaster » 20 янв 2017, 15:28

В ближайшее время мы составим для вас схему подключения на оборудование Raikmann .
Аватар пользователя
TheGoldMaster
 
Сообщений: 249
Зарегистрирован: 22 июн 2016, 10:32
Благодарил (а): 0 раз.
Поблагодарили: 0 раз.

Re: Блок вызова на 1000 абонентов

Сообщение TheGoldMaster » 20 янв 2017, 16:08

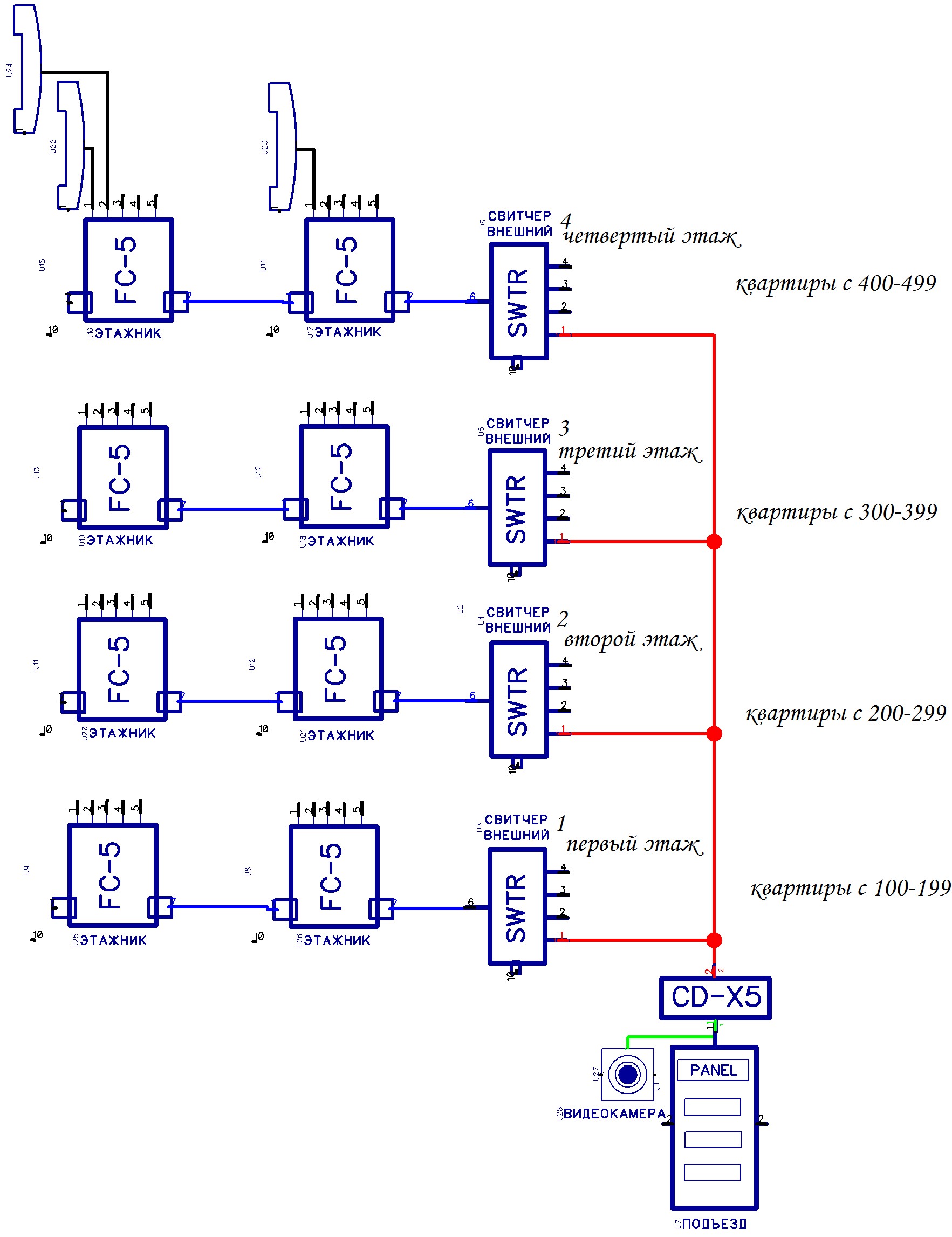
Вот схема подключения вашего объекта на 1000 абонентов на оборудовании Raikmann , основанное на свитчерах и этажных контроллерах .

На каждый Этаж ставится свитчер , который отвечает за 100 квартир этажа .



Гостиничная нумерация 9 этажей.jpg
Гостиничная нумерация 9 этажей.jpg (386.73 KiB) Просмотров: 4767
Аватар пользователя
TheGoldMaster
 
Сообщений: 249
Зарегистрирован: 22 июн 2016, 10:32
Благодарил (а): 0 раз.
Поблагодарили: 0 раз.

Re: Блок вызова на 1000 абонентов

Сообщение Анатолий » 20 янв 2017, 16:09

Спасибо .
Анатолий
 
Сообщений: 3
Зарегистрирован: 20 янв 2017, 14:55
Благодарил (а): 0 раз.
Поблагодарили: 0 раз.


Вернуться в Решения по проектам и Тех. Заданиям

Кто сейчас на форуме

Сейчас этот форум просматривают: нет зарегистрированных пользователей и гости: 11

cron