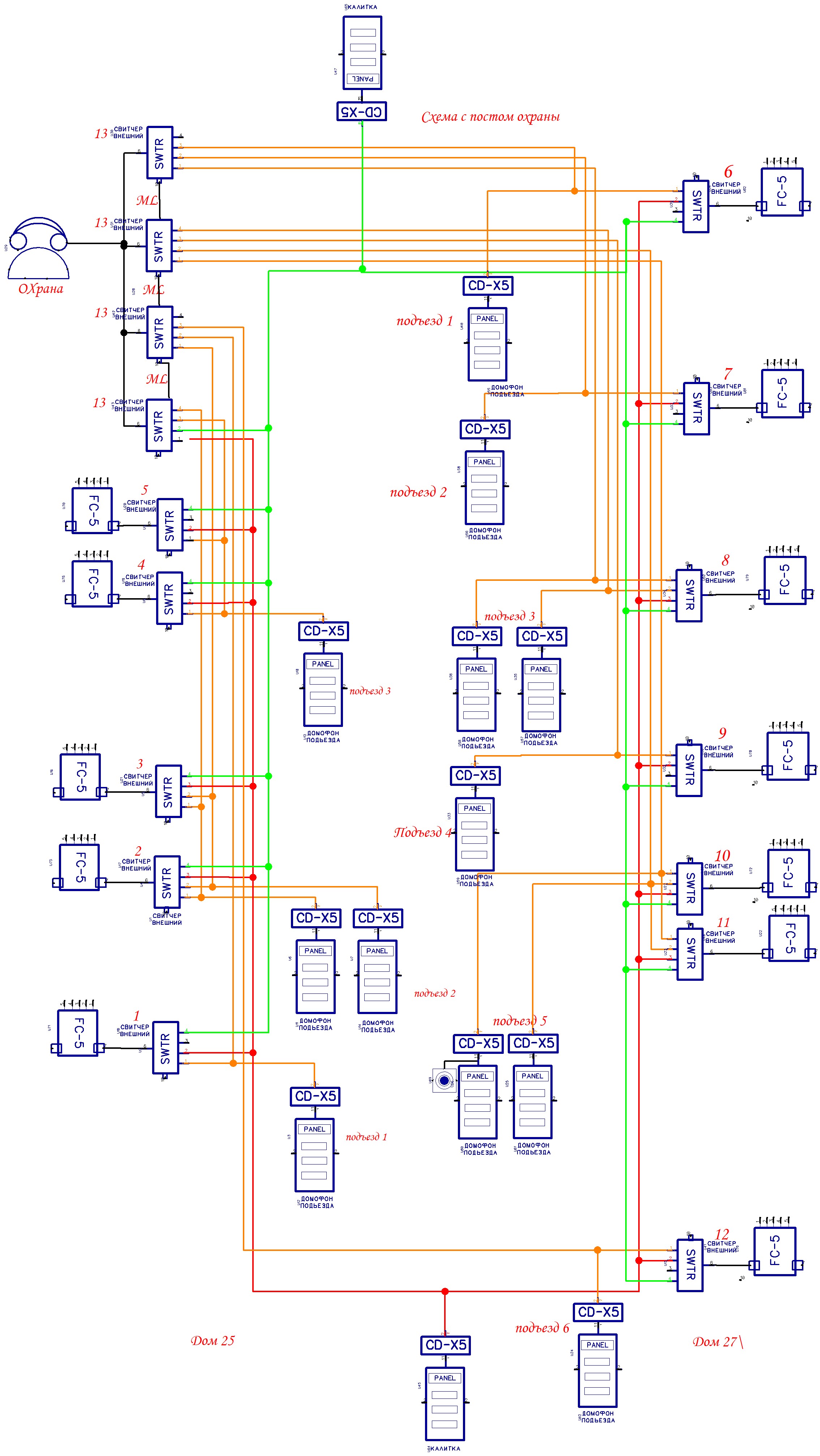
Имеется Два дома , на домах установлены домофоны Цифрал .
Дом 1 :
1 подъезд - 240 квартир , по 10 квартир на этаже
2 подъезд - 312 квартир по 13 на этаже
3 подъезд - 312 квартир по 10 квартир на этаже
Дом 2 :
1 подъезд - 144 квартиры по 6 на этаже
2 подъезд - 240 квартир по 10 на этаже
3 подъезд - 240 квартир по 10 на этаже
4 подъезд - 240 квартир по 10 на этаже
5 подъезд - 264 квартиры по 11 на этаже
6 подъезд - 49 квартир по 3-5 на этаже
Территорию данных домов огородили забором , установили калитки , шлагбаумы .
Необходимо заменить существующие домофоны на домофоны Raikmann ( многопанельные ) Установить Домофоны на калитки , с возможностью вызова всех подъездов двух домов
